Komplettering till SS437 01 02
Elinstallationer för lågspänning. Vägledning för anslutning, mätning, placering och montage av el- och teleinstallationer.
4.1.1 Servis
Varberg Energi äger och underhåller servisledningen fram till första anslutningspunkt (dvs. där serviskabeln ansluts hos kunden). Därefter börjar kundens elanläggning med servissäkring och/eller mätarsäkring, se illustration nedan. Servisledningen har ett kortslutningsskydd i nätstation/kabelskåp/stolpe.
4.1.2 Utrymme för servisledning och serviscentral
För nyanslutning, återanslutning och ombyggnad tillämpas endast jordkabelservis. Anslutningspunkten är vid anslutningsklämmorna i kunds serviscentral, kabelmätarskåp, fasadmätarskåp eller markmätarskåp.
Kundens anslutningspunkt ska alltid vara inom kunds tomt. Tänk på att placera anslutningspunkten så att den inte blir eller framledes kan bli inbyggd. Detta för att säkerställa Varberg Energis tillträde till anslutningspunkt/serviskabel.
Servisledning till vilken är anslutet mer än en kundanläggning ska i samtliga fall innehålla servissäkring och mätarsäkringar.
Serviscentral placeras normalt invid yttervägg (mindre serviscentral kan placeras mot ytter- vägg, beakta dock alltid minsta böjningsradie), i bottenplan eller källare, mot matande elnät. Fasadmätarskåp, markmätarskåp, kabelmätarskåp eller serviscentral med tillhörande mätutrustning får ej placeras på eller inom anläggningsdel som tillhör Varberg Energi.
Följande anslutningspunkter har förekommit vid nätanslutning, men tillämpas inte längre:
Friledningsservis med anslutningspunkt kundens isolatorer på kunds byggnad eller motsvarande.
Hängkabelservis med anslutningspunkten hängkabelservisens ändpunkt vid kunds husvägg.
Kabelförläggning
Gällande anslutningsavgifter förutsätter att kund ansvarar för schaktningsarbete och rörförläggning inom tomt. Övrig ansvarsfördelning enligt tabell nedan. I de fall tomtgräns inte finns (t.ex. lantgård) gäller förutsättningen inom trädgårdsmark respektive gårdsmark.
Övriga föreskrifter, normer och anvisningar, förutom SS 437 01 02, som gäller vid kabelförläggning i mark:
ELSÄK-FS 2008:1 Elsäkerhetsverkets föreskrifter och allmänna råd om hur elektriska starkströmsanläggningar ska vara utförda.
SS 424 14 37 Kabelförläggning i mark.
Energiföretagens anvisningar: För dig som behöver el till din fastighet med max säkring 63A.
Energiföretagens anvisningar:För dig som behöver el anslutning inom intervallet 80-1500A.
Kabelskyddsrör
Kabelskyddsrör från byggnad till tomtgräns eller gräns för gårdsmark förläggs enligt föregående bestämmelser och anvisningar samt följande tabell:
4.1.2.1 Utförande av servisledning
Varberg Energi levererar serviskabeln TN-C (fyrledarsystem). Observera att bygel för TN-S skall vara monterad av elinstallatör innan idrifttagning.
4.1.3.2 Val av servisledning och överlastskydd för dessa
Varberg Energi dimensionerar och väljer servisledning (kabeltyp, antal och area) på grundval av kunds önskade anslutningsstorlek i ampere (servissäkring/mätarsäkring) och placeringen av anslutningspunkten i förhållande till elnätet.
Större serviser bör dimensioneras så att belastningen inte varaktigt överstiger 80 procent av servissäkringens märkström.
Uppbyggnadsritning och enlinjeschema för serviscentral större än 63A ska skickas in med föranmälan för godkännande.
4.1.3.4 Plombering
Den plombering som finns anbringad på Varberg Energis elmätare får endast brytas av behörig elektriker i de fall det krävs för felsökning. Då plomberingen brutits måste det omgående meddelas till Varberg Energi.
4.3 Tillfälliga elanläggningar
OBS!
Servisledning för tillfälliga anslutningar tillhandahålls normalt av kund och ska vara minst 5 meter, maximalt 10 meter. Om byggområdet är beläget längre bort än 10 meter, från kabelskåp eller nätstation, ska en undercentral därför anslutas och användas framme vid byggområdet. Se exempel 1, 2 och 3. Kunden ansvarar alltid för att anslutningskabeln har ett mekaniskt skydd ut efter hela dess sträckning.
Det bör tas i beaktan att byggcentraler enligt SS 436 40 00 avsnitt 704 skall utrustas med jordfelsbrytare med max 30 mA märkutlösningsström då de matar uttag med märkström upp till 32A. Överstiger märkströmmen för uttagen 32A är kravet max 500 mA utlösningsström.
Kapsling som används för tillfällig anslutning skall vara intakt och utan skador. Kapslingen skall också placeras på ett stabilt sätt och samtliga anslutna kablar skall vara dragavlastade.
I förprojekterade exploateringsområden eller vid vissa ombyggnationer, kan den permanenta serviskabeln tillfälligt användas för bygg- kraftleverans. Se tillfällig elanslutning exempel 4.
4.4 Reservkraft
Reservkraftanläggningar indelas i fyra kategorier. På föranmälan och enlinjescheman ska anges vilken kategori som installationen avser.
Allmänt gäller:
Anslutning av reservkraft kategori 1-2, ska utföras så att utmatning av kraft på elnätet inte kan ske. För kategori 3 gäller utmatning i nätet i maximalt 1 sekund.
Reservkraft kategori 4 betraktas som en produktionsanläggning när elnätet är i drift.
Reservkraftsaggregat understigande 50 kVA tillåts inte som kategori 4. Kategorierna framgår av Energiföretagens ”Stationära reservkraftsanläggningar”.
Följande anvisningar, standarder och handböcker gäller, förutom SS 437 01 02 (utgåva 2):
Reservkraftaggregat Energiföretagen, best. nr. 30439
Stationära reservkraftanläggningar, anvisningar
För säker drift Energiföretagen, best. nr. 30368
Elinstallationsreglerna SS 436 40 00
SEK Handbok 447, tekniska anvisningar föranslutning och drift av generatoraggregat
Mobil anslutning med anslutningsdon
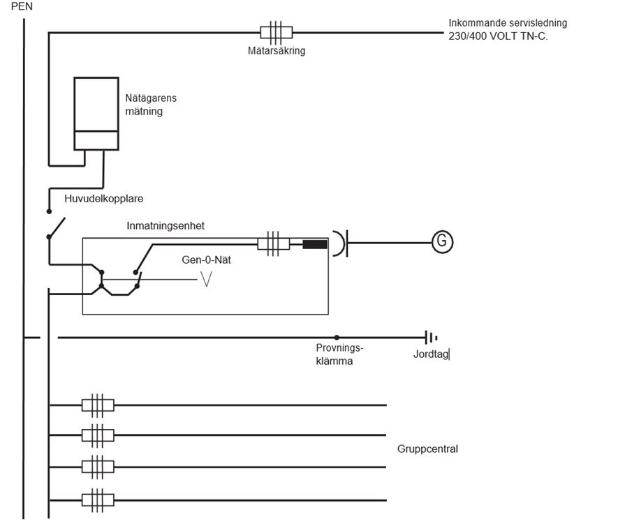
Normalt begränsas här anslutningsmöjligheten till max 125A vid användning av CEE-don. Inmatningsenheten i figur ”mobil anslutning” nedan visar exempel på en elkopplare mot intagsstiften. Vid denna konstruktion gäller att elkopplaren ska ha frånskiljningsegenskaper enligt SS 428 06 05, SS-EN 60947-1 och SS-EN 60947-3. Detta innebär tillförlitlig lägesindikering, kontrollerad mekanism med normerade till och frånslagskrafter. Elkopplaren ska vara märkt med symbol för frånskiljare.

Stationär anslutning
Stationära anslutningar som automatstartad reservkraft hos lågspänningskunder utförs enligt den anvisning som framgår av principschemat nedan.
6 Mätsystem
6.1 Allmänt
Följande gäller vid abonnemangsförändring (mätarsäkringsförändring):
6.1.1 Placering
I första hand ska placering av mätare ske enligt SS 437 01 02. Valbara alternativ: Fasadmätarskåp, markmätarskåp eller kabelmätarskåp. Undantag medges i specifika fall i samråd med Varberg Energi.
Skarvning av serviskabel inomhus i bostäder medges ej. Vid förändringar i kundens anläggning ska mätaren flyttas ut till fasad eller markmätarskåp
6.3 Ny eller utökad mätning med strömtransformatorer 80A och uppåt
Varberg Energi tillhandahåller och levererar strömtransformatorer, mätarplint (E-nr: 4279017) och schema för inkoppling. Vid mätning med strömtransformatorer ska följande underlag bifogas föranmälan:
Enlinjeschema och frontskiss överinkoppling
Skenstorlek samt åtdragningsmoment för strömtransformatormontage
Nedsäkring – mätsystem med strömtransformatorer ska byggas om till direktmätning när mätarsäkring sänks till 16-63A.
Uppsäkring- direktmätning ska byggas om till mätsystem med strömtransformatorer när mätarsäkring höjs till 80A eller högre.
Anläggningsdel | Elnätsföretaget | Kund | ||
Arbete | Materiel | Arbete | Materiel | |
Strömtransformator |
| x | x |
|
Mätarplint |
| x | x |
|
Mätare | x | x |
|
|
Mätarskåp |
|
| x | x |
Byte av uttjänt befintlig inomhusplacerad mätartavla, med bibehållen placering, tillåts i bostäder då åtgärden är att anse som underhåll. Ombyggnad till markmätarskåp, fasadmätarskåp eller kabelmätarskåp rekommenderas. Utgörs serviskabeln av FCJJ eller annan kabel av äldre typ, kan denna komma att skarvas om till en N1XV kabel i mark i samband med att mätarplacering flyttas ut till fasadmätarskåp.
Observera att Varberg Energi aldrig ansluter PEN-ledare vars area understiger 10mm2, således skall en kabel vars PEN-ledare understiger detta bytas ut.
Elkopplare efter mätaren ska utföras med oberoende handmanöver (enligt SS 437 01 02). En strömtransformators strömkrets får aldrig lämnas öppen. Sekundärkretsen ska alltid hållas kortsluten. Mätspänningskretsen ska avsäkras med diazedsäkring 10A G2. För kabelmätarskåp medges avsäkring med knivsäkring 10A NH000 (trippelnolla). Säkringar tillhandahålls av elinstallatör.








